行業規范 | 消防產品市場準入信息管理
行業規范 | 消防產品市場準入信息管理

中華人民共和國公共安全行業標準
消防產品市場準入信息管理
1 范圍
本標準規定了消防產品市場準入信息的范圍、術語和定義、分類、內容、建立、審核發布、查詢與判定、維護與更新的有關要求。
本標準適用于納入強制性產品認證目錄和經技術鑒定的消防產品的市場準入信息管理有關國家法律法規或標準另行規定的產品除外。
2 規范性引用文件
下列文件對于本文件的應用是必不可少的。凡是注日期的引用文件,僅注日期的版本適用于本文。凡是不注日期的引用文件,其最新版本(包括所有的修改單)適用于本文件。
GB/T 5907.5 消防詞匯 第5部分:消防產品
3 術語和定義
GB/T 5907.5 界定的以及下列術語和定義適用于本文件。
3.1 消防產品市場準入信息 market access information of fire product
按國家規定的產品市場準入制度,經國務院公安部門消防機構批準,由消防產品信息公布機構向社會發布的用于證明消防產品是否符合市場準入要求的信息。
4 信息的分類
消防產品市場準入信息分為:
a) 強制性產品認證信息;
b) 技術鑒定產品信息。
5 信息的內容
5.1 強制性認證產品信息
5.1.1 強制性認證產品信息發布內容納入強制性認證產品目錄的消防產品(目錄見附錄A)經強制性認證合格并獲得強制性產品認證證書后,消防產品信息公布機構根據產品強制性認證結果、證書保持情況及認證變更情況應子發布的信息內容包括:
強制性產品認證證書的全部內容和證書狀態;
產品檢驗報告的全部內容。
5.1.2 強制性產品認證證書消防產品的強制性產品認證證書(樣式見附錄B)的信息發布內容應包括:
——證書名稱;
——證書編號;
——產品認證委托人的名稱和地址;
——產品生產者的名稱和地址;
——產品生產企業的名稱和地址;
——產品名稱;產品認證單元;
——認證單元的涵蓋范圍;
——產品認證所依據的認證實施規則及實施細則 (適用時):
——產品認證基本模式;
——產品認證所依據的標準;
——產品符合認證要求的描述;
——證書的首次發證日期;
——證書的發(換)證日期;
——證書的有效期限;
——證書有效性保持的條件;
——證書信息的查詢網站;
——產品認證機構的名稱(含公章)、地址、郵編和網站域名;
——其他需要標注的內容。
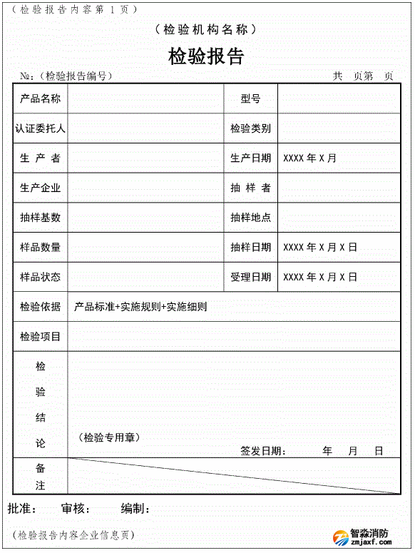
5.1.3 強制性產品認證檢驗報告消防產品的強制性產品認證檢驗根據認證類別分為型式試驗、分型試驗、監督檢驗、變更確認檢驗,檢驗報告(樣式見附錄C的信息發布內容應包括:
——報告名稱;
——報告編號;
——檢驗機構名稱(含公章);
——認證委托人名稱及聯系方式;
——產品名稱及型號;
——檢驗類別;
——生產者;
——生產企業;
——生產日期;
——抽樣者;
——抽樣基數;抽樣地點;
——樣品數量;
——抽樣日期;
——樣品狀態;
——檢驗受理日期;
——檢驗依據;
——檢驗項目;
——檢驗結論;
——報告編制人;
——報告審核人;
——報告批準人;
——報告簽發日期;
——產品照片;
——產品銘牌內容;
——產品特性描述;產品關鍵件(或原材料)描述;
——產品一致性檢查結論;
——產品檢驗項目結果匯總部分檢驗項目內容描述(適用時);
——產品技術文件(適用時)。
5.2 技術鑒定產品信息
5.2.1 技術鑒定產品信息發布內容消防產品經技術鑒定合格并獲得技術鑒定證書后,消防產品信息公布機構根據產品技術鑒定結果、證書保持情況及技術鑒定變更儲況應子發布的信息內容有:
a)產品技術鑒定證書的全部內容及證書狀態信息;
b)產品檢驗報告的全部內容。
5.2.2 技術鑒定證書消防產品技術鑒定證書(樣式見附錄D)內容應包括:
——證書名稱;
——證書編號;—產品認證委托方的名稱、地址和郵編;
——產品生產者(制造商)的名稱、地址和郵編;
——產品生產廠的名稱、地址和郵編;
——產品名稱;
——產品系列、規格、型號;
——技術鑒定依據;
——技術鑒定模式(適用時);
——證書的發證日期;
——證書的有效期限;
——產品符合技術鑒定要求的描述;
——證書有效性保持的條件;—證書信息的查詢網站;
——產品認證機構的名稱(含公章)、地址、郵編和網站域名;
——其他需要標注的內容。
5.2.3 技術鑒定檢驗報告
消防產品的技術鑒定檢驗根據技術鑒定類別及檢驗特性分為型式試驗、監督檢驗,檢驗報告(樣式見附錄C)內容應至少包括:
——報告名稱;
——報告編號;
——檢驗機構名稱(含公章);
——檢驗委托方名稱;
——產品名稱及型號規格;
——檢驗類別;
——產品生產單位名稱抽樣單位(或人);
——抽樣基數;
——抽樣地點;
——樣品數量;
——抽樣日期;
——檢驗日期;
——檢驗依據;
——檢驗項目;
——檢驗結論;
——報告編制人;
——報告審核人;
——報告批準人;
——報告簽發日期;
——樣品照片;
——產品銘牌內容;
——產品特性描述;
——產品關鍵件(或原材料)描述;
——產品一致性檢查結論;
——產品檢驗項目結果匯總;
——部分檢驗項目內容描述(適用時);
——產品技術文件(適用時)。
6 信息的建立
6.1 消防產品認證機構應按照5.1的規定及產品認證結果建立強制性認證產品信息,對信息審核通過后將信息報送消防產品信息公布機構。
6.2 消防產品技術鑒定機構應按照5.2的規定及產品技術鑒定結果建立技術鑒定產品信息,對信息進行審核并通過后將信息報送消防產品信息公布機構。
6.3 消防產品信息公布機構對認證機構轉來的強制性認證產品信息和技術鑒定機構轉來的技術鑒定產品信息進行匯總,并對信息的符合性進行審核。
7 信息的審核發布
7.1 消防產品信息公布機構對經審核符合要求的強制性認證產品信息和技術鑒定產品信息報送國務院公安部門消防機構批準,對經審核不符合要求的信息退回建立信息的強制性產品認證機構或技術鑒定機構。
7.2 國務院公安部門消防機構對消防產品信息公布機構報送的強制性認證產品信息和技術鑒定產品信息進行審批,對經批準同意發布的消防產品市場準入信息,消防產品信息公布機構應在規定時限內通過消防產品市場準入信息公布指定網站“中國消防產品信息網(互聯網域名:www.cccf.com.cn)"上向社會公布信息的全部內容。
7.3 對國務院公安部門消防機構審批不子公布的信息,消防產品信息公布機構不應公布有關信息,并按照審批意見開展相關工作。
8 信息的查詢與判定
8.1 信息查詢
強制性認證產品信息和技術鑒定產品信息應從中國消防產品信息網獲取。
8.2 強制性認證信息和技術鑒定信息的判定
8.2.1 待查驗產品的信息與相應公布的證書及檢驗報告信息經比對全部一致且證書狀態為有效時應判定為該產品滿足市場準入要求。
8.2.2 查詢比對結果存在下列情況之一的,應判定為相應產品不滿足市場準人要求:
a) 產品信息未公布;
b) 產品信息與公布的證書或檢驗報告信息不一致;
c) 產品證書的狀態為暫停、注銷或搬銷;
d) 發生8.2.3規定的情況除外。
8.2.3 查詢比對結果存在下列情況的,不應判定為產品不滿足市場準入要求:
a) 消防產品經強制性認證或技術鑒定合格并獲得證書后,其市場準入信息因處于上報、審批、發布過程而導致暫時未予發布:
b) 消防產品獲得強制性認證證書后,其認證委托人、生產者、生產企業及產品設計發生變更并經認證機構批準后,其變更后的市場準入信息因處于上報、審批、發布過程而導致暫時未予更新發布;
c) 消防產品獲得技術鑒定證書后,其技術鑒定委托方、制造商、生產廠及產品設計發生變更并經技術鑒定機構批準后,其變更后的市場準入信息因處于上報、審批、發布過程而導致暫時未予更新發布;
d) 處于暫停狀態的消防產品強制性認證證書或技術鑒定證書,在持證的委托人或委托方提交證書狀態恢復申請并經認證機構批準后,其恢復有效的證書狀態因處于上報、審批、發布過程而導致暫時未予更新發布。
8.3 信息查詢、判定有關事宜的解釋
消防產品市場準入信息管理的使用方在信息查驗、判定工作中遇到的有關問題由消防產品信息公布機構負責解釋。
9 信息的維護與更新
9.1 消防產品信息公布機構負責消防產品市場準入信息管理的日常維護和更新工作。
9.2 消防產品信息公布機構應設專門的部門和人員,并建立相應的工作機制以保證消防產品市場準入信息管理發布工作的正常執行,以及中國消防產品信息網的正常運行,同時還應公開聯系方式以滿足消防產品市場準入信息管理使用方在信息查驗、判定工作中的咨詢、指導等需求。
9.3 消防產品信息公布機構應根據需要定期更新中國消防產品信息網的硬件及軟件配置,以保證指定網站的正常運行,并與用戶終端兼容。
附錄A (規范性附錄)強制性認證消防產品目錄






附錄B (規范性附錄)強制性產品認證證書樣式


附錄C (規范性附錄)檢驗報告樣式






附錄D 規范性附錄)消防產品技術鑒定證書樣式

以上內容參考自中華人民共和國公共安全行業標準消防產品市場準入信息管理GA/T 1465-2018,僅供交流,依據以上內容所做的任何決策、作為或不作為,后果由行為人自行負責。
海灣消防安全有限公司主營:GST海灣消防報警設備銷售,消防工程施工改造,氣體滅火、電氣/漏電火災、消防水系統施工安裝,售后維修保養,檢測,調試,海灣消防網站:http://m.jianlaiyiyao.com/;海灣消防服務熱線:4006-598-119
本頁關鍵詞:


蘇公網安備32058102002148號